跳跃表 SkipList
跳跃表「SkipList」是一种可以在有序元素中进行快速查找的数据结构,查找的时间复杂度可以达到 。
跳跃表实现原理简单,性能却堪比平衡树。下面将详细讲解 SkipList 的实现。
# 一、基本思想
有序链表上的(近似)二分查找。
通过构建多级索引,用空间换时间,在上层索引查找,逐渐缩小范围,直至最底层索引定位到查找目标,
# 二、数据结构
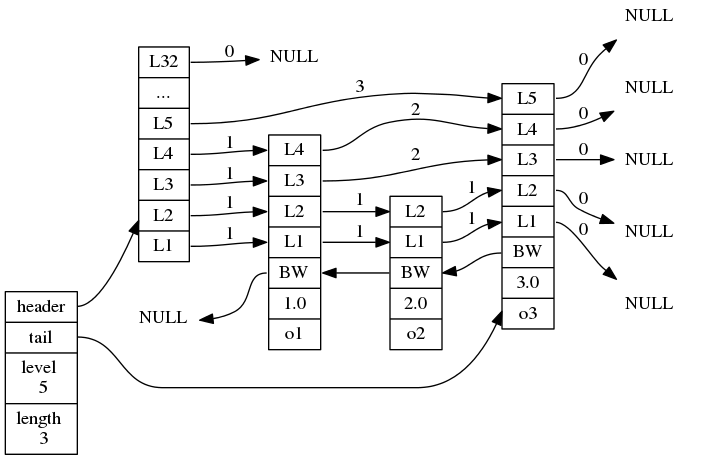
Redis 的跳跃表由 server.h/zskiplistNode 和 serve.h/zskiplist 两个结构定义,其中 zskiplistNode 结构用于保存跳跃表节点的相关信息,比如节点的数量,以及指向表头节点和表尾节点的指针等等。

上图展示了一个跳跃表示例,位于图片最左边的是 zskiplist 结构,该结构包含以下属性:
- header:指向跳跃表的表头节点;
- tail:指向跳跃表的表尾节点;
- level:记录目前跳跃表内,层数最大的那个节点的层数(不包含表头节点);
- length:记录跳跃表的长度,即跳跃表目前包含的节点数量(不包含表头节点)。
位于 zskiplist 结构右侧的是四个 zskiplistNode 结构,该结构包含以下属性:
- level:层级,节点中用 来标记节点的各个层,每个层都包含两个属性:前进指针和跨度,当程序从表头向表尾遍历时,访问会沿着当前层的前进指针进行;
- backward:后退指针,上图节点中用 BW 字样标记,它指向当前节点的前一个节点,在程序从表尾向表头遍历时使用;
- score:分值,在跳跃表中,节点按各自所保存的分值从小到大排列;
- ele:成员对象,节点中用 表示,用于存储字符串类型的数据。
接下来将对 zskiplistNode 和 zskiplist 两个结构进行详细介绍。
# 2.1 跳跃表节点
首先来看跳跃表节点的 zskiplistNode 结构体:
typedef struct zskiplistNode {
sds ele;
double score;
struct zskiplistNode *backward;
struct zskiplistLevel {
struct zskiplistNode *forward;
unsigned long span;
} level[];
} zskiplistNode;
2
3
4
5
6
7
8
9
该结构体包含以下属性:
- ele:用于存储字符串类型的数据;
- score:用于存储排序的分值;
- backward:后退指针,指向当前节点最底层的前一个节点,从后向前遍历时使用;
- level:柔性数组,每个节点的数组长度不一样,在生成跳跃表节点时,随机生成一个 1~64 的值,值越大出现的概率越低。
注意
level 数组的每项包含两个元素:
- forward:指向本层下一个节点;
- span:forward 指向的节点与本节点之间的元素个数,span 值越大,跳过的节点个数越多。
# 2.2 跳跃表
除了跳跃表节点外,还需要一个跳跃表结构来管理节点,Redis 使用 zskiplist 结构体,定义如下:
typedef struct zskiplist {
struct zskiplistNode *header, *tail;
unsigned long length;
int level;
} zskiplist;
2
3
4
5
该结构体包含以下属性:
- header:指向跳跃表头节点;
- tail:指向跳跃表尾节点;
- length:跳跃表长度,表示除头节点之外的节点总数;
- level:跳跃表高度。
通过跳跃表结构体的属性我们可以看到,程序可以在 的时间内获取到跳跃表的头节点、尾节点、长度和高度。
# 三、基本操作
# 3.1 创建跳跃表
创建跳跃表节点
zskiplistNode *zslCreateNode(int level, double score, sds ele) {
/* 申请内存为节点大小与柔性数组 level 大小之和 */
zskiplistNode *zn =
zmalloc(sizeof(*zn)+level*sizeof(struct zskiplistLevel));
zn->score = score;
zn->ele = ele;
return zn;
}
2
3
4
5
6
7
8
创建跳跃表步骤
zskiplist *zslCreate(void) {
int j;
zskiplist *zsl;
zsl = zmalloc(sizeof(*zsl));
zsl->level = 1;
zsl->length = 0;
/* 创建头节点 */
zsl->header = zslCreateNode(ZSKIPLIST_MAXLEVEL,0,NULL);
for (j = 0; j < ZSKIPLIST_MAXLEVEL; j++) {
zsl->header->level[j].forward = NULL;
zsl->header->level[j].span = 0;
}
zsl->header->backward = NULL;
zsl->tail = NULL;
return zsl;
}
2
3
4
5
6
7
8
9
10
11
12
13
14
15
16
17
18
# 3.2 插入节点
插入节点可分为以下几个步骤:
- 查找要插入的位置;
- 创建待插入节点;
- 插入节点并设置前后指针。
点击查看代码
/* Insert a new node in the skiplist. Assumes the element does not already
* exist (up to the caller to enforce that). The skiplist takes ownership
* of the passed SDS string 'ele'. */
zskiplistNode *zslInsert(zskiplist *zsl, double score, sds ele) {
/* update:记录每一层与待插入节点相连的前一个节点
* rank:记录每一层与头节点之间的路径的长度 */
zskiplistNode *update[ZSKIPLIST_MAXLEVEL], *x;
unsigned int rank[ZSKIPLIST_MAXLEVEL];
int i, level;
serverAssert(!isnan(score));
/* 在各层查找节点的插入位置 */
x = zsl->header;
for (i = zsl->level-1; i >= 0; i--) {
/* store rank that is crossed to reach the insert position
* 记录到达待插入位置走过的距离,zsl->level-1 为头节点,初始化为 0,下面的每一层累加 rank
* */
rank[i] = i == (zsl->level-1) ? 0 : rank[i+1];
// 沿着前进指针遍历跳跃表
// 向前移动条件:
// 1. 下一个节点的 score 小于待插入节点的 score
// 2. score 值相等,通过 sdscmp 方法比较 ele 值,ascii 值小的在前面
while (x->level[i].forward &&
(x->level[i].forward->score < score ||
(x->level[i].forward->score == score &&
sdscmp(x->level[i].forward->ele,ele) < 0)))
{
// 记录沿途跨过了多少个节点
rank[i] += x->level[i].span;
// 移动至下一个指针
x = x->level[i].forward;
}
// 记录将要和新节点相连接的节点
update[i] = x;
}
/* we assume the element is not already inside, since we allow duplicated
* scores, reinserting the same element should never happen since the
* caller of zslInsert() should test in the hash table if the element is
* already inside or not.
*
* zslInsert() 的调用者会确保同分值且同成员的元素不会出现,
* 所以这里不需要进一步进行检查,可以直接创建新元素。
*
* */
// 获取一个随机值作为新节点的层数
level = zslRandomLevel();
// 如果新节点的层数比表中其他节点的层数都要大
// 那么初始化表头节点中未使用的层,并将它们记录到 update 数组中
// 将来也指向新节点
if (level > zsl->level) {
// 初始化未使用层
for (i = zsl->level; i < level; i++) {
rank[i] = 0;
update[i] = zsl->header;
update[i]->level[i].span = zsl->length;
}
// 更新表中节点最大层数
zsl->level = level;
}
// 创建新节点
x = zslCreateNode(level,score,ele);
// 将前面记录的指针指向新节点,并做相应的设置
for (i = 0; i < level; i++) {
// 设置新节点的 forward 指针
x->level[i].forward = update[i]->level[i].forward;
// 将沿途记录的各个节点的 forward 指针指向新节点
update[i]->level[i].forward = x;
/* update span covered by update[i] as x is inserted here */
// 计算新节点跨越的节点数量
x->level[i].span = update[i]->level[i].span - (rank[0] - rank[i]);
// 更新新节点插入之后,沿途节点的 span 值
// 其中的 +1 计算的是新节点
update[i]->level[i].span = (rank[0] - rank[i]) + 1;
}
/* increment span for untouched levels */
// 未接触的节点的 span 值也需要增一,这些节点直接从表头指向新节点
for (i = level; i < zsl->level; i++) {
update[i]->level[i].span++;
}
// 设置新节点的后退指针
x->backward = (update[0] == zsl->header) ? NULL : update[0];
if (x->level[0].forward)
x->level[0].forward->backward = x;
else
zsl->tail = x;
// 跳跃表的节点计数 +1
zsl->length++;
return x;
}
2
3
4
5
6
7
8
9
10
11
12
13
14
15
16
17
18
19
20
21
22
23
24
25
26
27
28
29
30
31
32
33
34
35
36
37
38
39
40
41
42
43
44
45
46
47
48
49
50
51
52
53
54
55
56
57
58
59
60
61
62
63
64
65
66
67
68
69
70
71
72
73
74
75
76
77
78
79
80
81
82
83
84
85
86
87
88
89
90
91
92
93
94
95
96
97
98
99
100
101
102
103
104
105
106
107
108
注意
根据源码可以看出,当 score 值相等时,跳跃表是按照 ele 值的字典序进行排序的。
在第二步创建节点时,需要随机生成节点的层高,Redis 正是通过这种随机化算法,保证高效的插入效率,下面来对这种算法进行简要分析。
节点层高的最小值为 1,最大值是 ZSKIPLIST_MAXLEVEL, Redis 6 中节点层高的值为 64。
#define ZSKIPLIST_MAXLEVEL 64
Redis 通过 zslRandomLevel 函数随机生成一个 1~64 的值,作为新建节点的高度,值越大出现的概率越低,节点层高确定之后便不会再修改。生成随机层高的代码如下:
#define ZSKIPLIST_P 0.25 /* Skiplist P = 1/4 */
int zslRandomLevel(void) {
int level = 1;
while ((random()&0xFFFF) < (ZSKIPLIST_P * 0xFFFF))
level += 1;
return (level<ZSKIPLIST_MAXLEVEL) ? level : ZSKIPLIST_MAXLEVEL;
}
2
3
4
5
6
7
8
下面计算节点的期望层高,假设 p = ZSKIPLIST_P,则节点的期望层高为:
求和部分使用等比数列错位相减法~
当 p = 0.25 时,跳跃表节点的期望层高为 。
# 3.3 删除节点
删除节点可分为以下几个步骤:
- 查找需要更新的节点;
- 设置删除节点前后指针。
其中查找需要更新的节点要借助 update 数组,数组的赋值方式与插入节点前相同(参考 3.2 插入节点)。
点击查看代码
/* Internal function used by zslDelete, zslDeleteByScore and zslDeleteByRank */
void zslDeleteNode(zskiplist *zsl, zskiplistNode *x, zskiplistNode **update) {
int i;
// 更新所有和被删除节点 x 有关的节点的指针,解除它们之间的关系
for (i = 0; i < zsl->level; i++) {
if (update[i]->level[i].forward == x) {
update[i]->level[i].span += x->level[i].span - 1;
update[i]->level[i].forward = x->level[i].forward;
} else {
update[i]->level[i].span -= 1;
}
}
// 更新被删除节点 x 的前进和后退指针
if (x->level[0].forward) {
x->level[0].forward->backward = x->backward;
} else {
zsl->tail = x->backward;
}
// 更新跳跃表最大层数(只在被删除节点是跳跃表中最高的节点时才执行)
while(zsl->level > 1 && zsl->header->level[zsl->level-1].forward == NULL)
zsl->level--;
// 跳跃表长度 -1
zsl->length--;
}
2
3
4
5
6
7
8
9
10
11
12
13
14
15
16
17
18
19
20
21
22
23
24
25
26
27
28
# 3.4 删除跳跃表
获取到跳跃表对象之后,从头节点的第 0 层开始,通过 forward 指针逐步向后遍历,每遇到一个节点便将释放其内存。
当所有节点的内存都被释放之后,释放跳跃表对象,即完成了跳跃表的删除操作。
点击查看代码
/* Free a whole skiplist. */
void zslFree(zskiplist *zsl) {
zskiplistNode *node = zsl->header->level[0].forward, *next;
zfree(zsl->header);
while(node) {
next = node->level[0].forward;
zslFreeNode(node);
node = next;
}
zfree(zsl);
}
2
3
4
5
6
7
8
9
10
11
12
# 四、跳跃表的应用
在 Redis 中,跳跃表主要应用于有序集合的底层实现(有序集合的另一种实现方式为压缩列表)。
Redis 的配置文件中关于有序集合底层实现有两个配置参数:
- zset-max-ziplist-entries:zset 采用压缩列表时,元素个数最大值,默认值为 128。
- zset-max-ziplist-value:zset 采用压缩列表时,每个元素的字符串长度最大值,默认值为 64。
zset 添加元素的主要逻辑位于 t_zset.c 的 zaddGenericCommand 函数中,zset 插入第一个元素时,会判断下面两种条件:
- zset-max-ziplist-entries 的值是否等于 0;
- zset-max-ziplist-value 是否小于要插入元素的字符串长度。
满足任一条件 Redis 就会采用跳跃表作为底层实现,否则采用压缩列表作为底层实现方式。
if (server.zset_max_ziplist_entries == 0 ||
server.zset_max_ziplist_value < sdslen(c->argv[scoreidx+1]->ptr))
{
zobj = createZsetObject(); // 创建跳跃表结构
} else {
zobj = createZsetZiplistObject(); // 创建压缩列表结构
}
2
3
4
5
6
7
一般情况下,不会将 zset-max-ziplist-entries 配置成 0,元素的字符串长度也不会太长,所以 在创建有序集合时,默认使用压缩列表的底层实现。zset 新插入元素时,会判断以下两种条件:
- zset 中元素个数是否大于 zset_max_ziplist_entries;
- 插入元素的字符串长度是否大于 zset_max_ziplist_value。
当满足任一条件时,Redis 便会将 zset 的底层实现由压缩列表转为跳跃表。
if (zzlLength(zobj->ptr) > server.zset_max_ziplist_entries)
zsetConvert(zobj,OBJ_ENCODING_SKIPLIST);
if (sdslen(ele) > server.zset_max_ziplist_value)
zsetConvert(zobj,OBJ_ENCODING_SKIPLIST);
2
3
4
注意
zset 在转为跳跃表之后,即使元素被逐渐删除,也不会重新转为压缩列表。
# 五、总结
为什么选择跳跃表而不是平衡树(如 AVL、红黑树等)?
- 跳跃表可以在 的时间复杂度内实现区间查找;
- 跳跃表相比于平衡树实现更简单,可读性好,不易出错;
- 跳表更加灵活,它可以通过改变索引构建策略,有效平衡执行效率和内存消耗。
- 跳跃表的插入和删除只需要修改相邻节点的指针,操作简单快速,而平衡树可能导致子树调整,逻辑复杂;
# 六、参考资料
- 《Redis 5 设计与源码分析》– 陈雷
- 《Redis 设计与实现》– 黄健宏
- Redis内部数据结构详解(6) – skiplist (opens new window)
- 跳表:为什么Redis一定要用跳表来实现有序集合? (opens new window)
- 深入理解跳表在Redis中的应用 (opens new window)
- Redis源码阅读系列二 skipList (opens new window)